滾子鏈是一種用于傳送機械動力鏈條,廣泛應用與家庭、工業(yè)和農(nóng)業(yè)機械,其中包括輸送機、繪圖機、印刷機、汽車、摩托車、以及自行車。它由一系列短圓柱滾子鏈接在一起,由一個稱為鏈輪的齒輪驅(qū)動。這是一個簡單,可靠,高效的動力傳遞裝置。
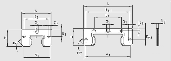
| A | 85.0 | |
| A1 | 77.0 | |
| D3 | 8.0 | |
| E8 | 69.80 | |
| E9 | 20.50 | |
| H | 49.5 | |
| S2 | 7.0 | |
| S3 | 5.0 | |
| 重量 g | 155 |

機床、木工機械、激光切割等