滾子鏈是一種用于傳送機械動力鏈條,廣泛應用與家庭、工業(yè)和農(nóng)業(yè)機械,其中包括輸送機、繪圖機、印刷機、汽車、摩托車、以及自行車。它由一系列短圓柱滾子鏈接在一起,由一個稱為鏈輪的齒輪驅(qū)動。這是一個簡單,可靠,高效的動力傳遞裝置。

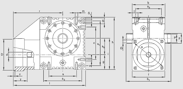
| 傳動比i | 4.75 | |
| 中心距 | 50±0.12 | |
| 電機 | MSK 061 | |
| a | 85 | |
| a1 | 138 | |
| a2 | 118 | |
| a3 | 80 | |
| b | 100 | |
| b1 | 137 | |
| c | 100 | |
| d h8 | 14.7 | |
| D G7 | 95 | |
| e | 130 | |
| f | 115 | |
| g | 45 | |
| G | M8 | |
| h | 160 | |
| i | 95 | |
| l | 238 | |
| m | M8*16 | |
| p H6 | 30 | |
| P h8 | 25 | |
| r | 168 | |
| S | 18 | |
| S1 | 10 | |
| t | 16 | |
| x | 5 | |
| y | 58 | |
| Jge(10-4kgm2 | 1.8560 | |
| 重量 kg | 8.0 |

機床、木工機械、激光切割等